轴承专区
Bearings Center
HMV 77E轴承-SKF HMV 77E轴承尺寸、图纸、价格
SKF HMV 77E轴承
| 产品名称: | HMV 77E轴承 | 品牌: | SKF |
|---|---|---|---|
| 类型: | SKF轴承 > 滚动轴承 > 轴承附件 | ||
| 描述: | HMV 77E轴承是【SKF轴承 > 滚动轴承 > 轴承附件】的型号,主要用在仪表、罗茨鼓风机、纺织机械传动轴、建筑机械、破碎机、石油钻机转环、碾煤机、破碎、凿岩机械、厨具设备等各大领域 | ||
电话/微信:138-8949-5179
SKF HMV 77E轴承详细信息
HMV 77E轴承是【SKF轴承 > 滚动轴承 > 轴承附件】的型号,主要用在仪表、罗茨鼓风机、纺织机械传动轴、建筑机械、破碎机、石油钻机转环、碾煤机、破碎、凿岩机械、厨具设备等各大领域。
SKF HMV 77E轴承详细参数
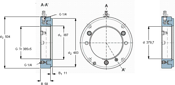
| Hydraulic nuts, metric sizes | ||||||||||||
| 螺纹尺寸 | 尺寸 | Permitted | Piston area | 体积 | 型号 | |||||||
| piston | ||||||||||||
| G | d1 | d2 | d3 | B | B1 | displacement | ||||||
| mm | mm (metric sizes) | mm | mm | mm2 (metric sizes) | kg | - | ||||||
| in - threads/in (inch sizes) | in2 (inch sizes) | |||||||||||
| 385 | Tr 385x5 | 387 | 483 | 504 | 58 | 11 | 16 | 34700 | 41,0 | HMV 77E | HMV 77E/A101 | |
SKF HMV 77E轴承尺寸图纸

