轴承专区
Bearings Center
6028/W64轴承-SKF 6028/W64轴承尺寸、图纸、价格
SKF 6028/W64轴承
| 产品名称: | 6028/W64轴承 | 品牌: | SKF |
|---|---|---|---|
| 类型: | SKF轴承 > 滚动轴承 > 深沟球轴承 | ||
| 描述: | 6028/W64轴承是【SKF轴承 > 滚动轴承 > 深沟球轴承】的型号,主要用在电气装置部件、机床主轴、发电机、汽车、轧钢机辊道子、汽车转向销、船舶用螺旋桨轴、塑料、土方机械、摩天轮等各大领域 | ||
电话/微信:138-8949-5179
SKF 6028/W64轴承详细信息
6028/W64轴承是【SKF轴承 > 滚动轴承 > 深沟球轴承】的型号,主要用在电气装置部件、机床主轴、发电机、汽车、轧钢机辊道子、汽车转向销、船舶用螺旋桨轴、塑料、土方机械、摩天轮等各大领域。
SKF 6028/W64轴承详细参数
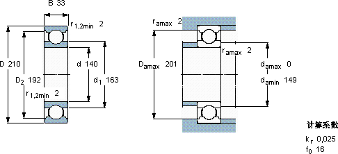
| 深沟球轴承, 单列, 含Solid Oil, 无密封件 | |||||||||
| 主要数据尺寸 | 基本负荷额定值 | 疲劳负荷限值 | 限制速度 | 体积 | 型号 | ||||
| 动态 | 静态 | ||||||||
| d | D | B | C | C0 | Pu | ||||
| mm | kN | kN | r/min | kg | - | ||||
| 140 | 210 | 33 | 111 | 108 | 3,45 | 1700 | 3,35 | 6028/W64 | |
SKF 6028/W64轴承尺寸图纸

