轴承专区
Bearings Center
6207 ETN9轴承-SKF 6207 ETN9轴承尺寸、图纸、价格
SKF 6207 ETN9轴承
| 产品名称: | 6207 ETN9轴承 | 品牌: | SKF |
|---|---|---|---|
| 类型: | SKF轴承 > 滚动轴承 > 深沟球轴承 | ||
| 描述: | 6207 ETN9轴承是【SKF轴承 > 滚动轴承 > 深沟球轴承】的型号,主要用在内燃机、空气压缩机、桥式起重机、大型农业机械、木工机械、耕耘机、挤压机、陶瓷机械、地基处理机械、数控设备等各大领域 | ||
电话/微信:138-8949-5179
SKF 6207 ETN9轴承详细信息
6207 ETN9轴承是【SKF轴承 > 滚动轴承 > 深沟球轴承】的型号,主要用在内燃机、空气压缩机、桥式起重机、大型农业机械、木工机械、耕耘机、挤压机、陶瓷机械、地基处理机械、数控设备等各大领域。
SKF 6207 ETN9轴承详细参数
| 深沟球轴承, 单列, 无密封件 | |||||||||||
| 主要数据尺寸 | 基本负荷额定值 | 疲劳负荷限值 | 额定速度 | 体积 | 型号 | ||||||
| 动态 | 静态 | 参照速度 | 限制速度 | ||||||||
| d | D | B | C | C0 | Pu | ||||||
| mm | kN | kN | r/min | kg | - | ||||||
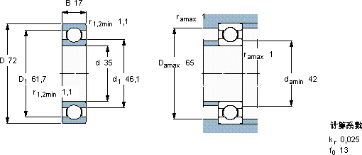
| 35 | 72 | 17 | 31,2 | 17,6 | 0,75 | 20000 | 13000 | 0,27 | 6207 ETN9 | ||
SKF 6207 ETN9轴承尺寸图纸

