轴承专区
Bearings Center
FYT 2. TF/VA228轴承-SKF FYT 2. TF/VA228轴承尺寸、图纸、价格
SKF FYT 2. TF/VA228轴承
| 产品名称: | FYT 2. TF/VA228轴承 | 品牌: | SKF |
|---|---|---|---|
| 类型: | SKF轴承 > 滚动轴承 > 工程产品 | ||
| 描述: | FYT 2. TF/VA228轴承是【SKF轴承 > 滚动轴承 > 工程产品】的型号,主要用在燃汽轮机、罗茨鼓风机、提升机、建筑机械、破碎机、制铁制钢机械、电机厂、音像设备、起重机械、码垛机器人等各大领域 | ||
电话/微信:138-8949-5179
SKF FYT 2. TF/VA228轴承详细信息
FYT 2. TF/VA228轴承是【SKF轴承 > 滚动轴承 > 工程产品】的型号,主要用在燃汽轮机、罗茨鼓风机、提升机、建筑机械、破碎机、制铁制钢机械、电机厂、音像设备、起重机械、码垛机器人等各大领域。
SKF FYT 2. TF/VA228轴承详细参数
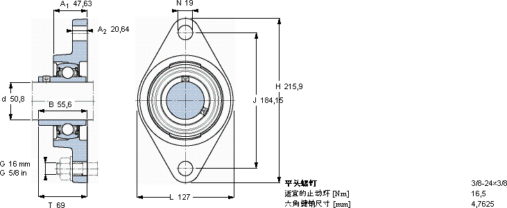
| 用于高温的Y-轴承单元,带法兰单元,椭圆轴承座, 英制轴承 | ||||||||||
| 尺寸 | 基本负荷额定值 | 质量 | 型号 | |||||||
| 静态 | 轴承单元 | 轴承座 | 轴承 | |||||||
| d | A1 | J | H | T | C0 | |||||
| mm | kN | kg | - | |||||||
| 50,8 | 47,63 | 184,15 | 127 | 69 | 29 | 3,30 | FYT 2. TF/VA228 | FYT 511 U/VA228 | YAR 211-200-2FW/VA228 | |
SKF FYT 2. TF/VA228轴承尺寸图纸

