轴承专区
Bearings Center
61920轴承-SKF 61920轴承尺寸、图纸、价格
SKF 61920轴承
| 产品名称: | 61920轴承 | 品牌: | SKF |
|---|---|---|---|
| 类型: | SKF轴承 > 滚动轴承 > 深沟球轴承 | ||
| 描述: | 61920轴承是【SKF轴承 > 滚动轴承 > 深沟球轴承】的型号,主要用在仪表、罗茨鼓风机、泵、建筑机械、轧钢机齿轮箱座、制铁制钢机械、碾煤机、烟草机械、起重机械、厨具设备等各大领域 | ||
电话/微信:138-8949-5179
SKF 61920轴承详细信息
61920轴承是【SKF轴承 > 滚动轴承 > 深沟球轴承】的型号,主要用在仪表、罗茨鼓风机、泵、建筑机械、轧钢机齿轮箱座、制铁制钢机械、碾煤机、烟草机械、起重机械、厨具设备等各大领域。
SKF 61920轴承详细参数
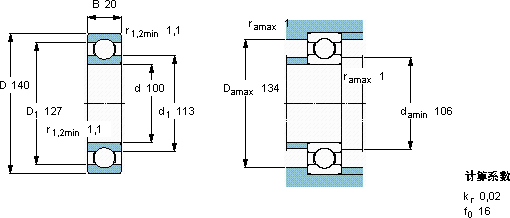
| 深沟球轴承, 单列, 无密封件 | |||||||||||
| 主要数据尺寸 | 基本负荷额定值 | 疲劳负荷限值 | 额定速度 | 体积 | 型号 | ||||||
| 动态 | 静态 | 参照速度 | 限制速度 | ||||||||
| d | D | B | C | C0 | Pu | ||||||
| mm | kN | kN | r/min | kg | - | ||||||
| 100 | 140 | 20 | 42,3 | 41 | 1,63 | 9500 | 6000 | 0,83 | 61920 | ||
SKF 61920轴承尺寸图纸

