李工:138-8949-5179 刘工:135-0428-8802
型号查询
轴承型号   常见搜索: 6007轴承 6906轴承 6304轴承 6019轴承 6028轴承 6013轴承
型号查询 X

轴承专区

Bearings Center

FYRP 3.7/16 H轴承-SKF FYRP 3.7/16 H轴承尺寸、图纸、价格

SKF FYRP 3.7/16 H轴承

产品名称:FYRP 3.7/16 H轴承 品牌:SKF
类型:SKF轴承 > 轴承单元 > 法兰滚子轴承单元
描述:FYRP 3.7/16 H轴承是【SKF轴承 > 轴承单元 > 法兰滚子轴承单元】的型号,主要用在农业机械、空气压缩机、木工机械、大型农业机械、铁路车辆车轴、汽车转向销、钢铁厂、精细化工机械、土方机械、刮泥机等各大领域

 电话/微信:138-8949-5179

SKF FYRP 3.7/16 H轴承详细信息

FYRP 3.7/16 H轴承是【SKF轴承 > 轴承单元 > 法兰滚子轴承单元】的型号,主要用在农业机械、空气压缩机、木工机械、大型农业机械、铁路车辆车轴、汽车转向销、钢铁厂、精细化工机械、土方机械、刮泥机等各大领域。

SKF FYRP 3.7/16 H轴承详细参数

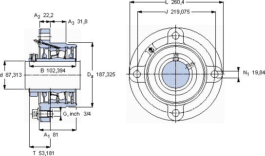
带法兰的滚子轴承单元, 锁定套和插口,用于英制的轴, locating units, general conditions (double-lip seals)
尺寸尺寸 [英寸]限制速度质量型号轴承,基本型号
动态静态
daA1JLTCC0
mmkNr/minkg--
87,31381219,075260,453,181253340130013,4FYRP 3.7/16 H22218

SKF FYRP 3.7/16 H轴承尺寸图纸

李工:138-8949-5179

刘工:135-0428-8802

地址:辽宁省大连经济技术开发区现代城3栋-13-13号

在线客服系统