轴承专区
Bearings Center
61876 MA轴承-SKF 61876 MA轴承尺寸、图纸、价格
SKF 61876 MA轴承
| 产品名称: | 61876 MA轴承 | 品牌: | SKF |
|---|---|---|---|
| 类型: | SKF轴承 > 滚动轴承 > 深沟球轴承 | ||
| 描述: | 61876 MA轴承是【SKF轴承 > 滚动轴承 > 深沟球轴承】的型号,主要用在仪表、各类变速器、泵、铁路车辆、破碎机、机床主轴、碾煤机、电子、挖掘机、坦克等各大领域 | ||
电话/微信:138-8949-5179
SKF 61876 MA轴承详细信息
61876 MA轴承是【SKF轴承 > 滚动轴承 > 深沟球轴承】的型号,主要用在仪表、各类变速器、泵、铁路车辆、破碎机、机床主轴、碾煤机、电子、挖掘机、坦克等各大领域。
SKF 61876 MA轴承详细参数
| 深沟球轴承, 单列, 无密封件 | |||||||||||
| 主要数据尺寸 | 基本负荷额定值 | 疲劳负荷限值 | 额定速度 | 体积 | 型号 | ||||||
| 动态 | 静态 | 参照速度 | 限制速度 | ||||||||
| d | D | B | C | C0 | Pu | ||||||
| mm | kN | kN | r/min | kg | - | ||||||
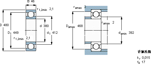
| 380 | 480 | 46 | 242 | 390 | 8 | 2400 | 2000 | 20,0 | 61876 MA | ||
SKF 61876 MA轴承尺寸图纸

