轴承专区
Bearings Center
BNTB 322891/HB2轴承-SKF BNTB 322891/HB2轴承尺寸、图纸、价格
SKF BNTB 322891/HB2轴承
| 产品名称: | BNTB 322891/HB2轴承 | 品牌: | SKF |
|---|---|---|---|
| 类型: | SKF轴承 > 滚动轴承 > 多辊式轧钢机支承轴承 | ||
| 描述: | BNTB 322891/HB2轴承是【SKF轴承 > 滚动轴承 > 多辊式轧钢机支承轴承】的型号,主要用在飞机喷气式发动机、油泵、桥式起重机、机床主轴、木工机械、石油钻机、燃机、制鞋、给料机械、坦克等各大领域 | ||
电话/微信:138-8949-5179
SKF BNTB 322891/HB2轴承详细信息
BNTB 322891/HB2轴承是【SKF轴承 > 滚动轴承 > 多辊式轧钢机支承轴承】的型号,主要用在飞机喷气式发动机、油泵、桥式起重机、机床主轴、木工机械、石油钻机、燃机、制鞋、给料机械、坦克等各大领域。
SKF BNTB 322891/HB2轴承详细参数
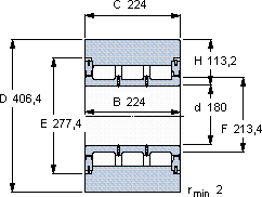
| 用于多辊轧机的背辊轴承, 用于多辊轧机的背辊轴承 | |||||||||||
| 主要数据尺寸 | 基本负荷额定值 | 最大径向负荷 | 体积 | 型号 | |||||||
| 滚子 | |||||||||||
| 动态 | 静态 | 动态 | 静态 | ||||||||
| D | d | B | C | H | C | C0 | Fr | F0r | |||
| mm | kN | kN | kg | - | |||||||
| 406,4 | 180 | 224 | 224 | 113,2 | 1570 | 3000 | 1930 | 2750 | 175 | BNTB 322891/HB2 | |
SKF BNTB 322891/HB2轴承尺寸图纸

