轴承专区
Bearings Center
FYRP 3.11/16 H-18轴承-SKF FYRP 3.11/16 H-18轴承尺寸、图纸、价格
SKF FYRP 3.11/16 H-18轴承
| 产品名称: | FYRP 3.11/16 H-18轴承 | 品牌: | SKF |
|---|---|---|---|
| 类型: | SKF轴承 > 轴承单元 > 法兰滚子轴承单元 | ||
| 描述: | FYRP 3.11/16 H-18轴承是【SKF轴承 > 轴承单元 > 法兰滚子轴承单元】的型号,主要用在装卸搬运机械、各类变速器、木工机械、铁路车辆、破碎机、机床等的变速装置、矿山、饮料设备、工程船舶、摩天轮等各大领域 | ||
电话/微信:138-8949-5179
SKF FYRP 3.11/16 H-18轴承详细信息
FYRP 3.11/16 H-18轴承是【SKF轴承 > 轴承单元 > 法兰滚子轴承单元】的型号,主要用在装卸搬运机械、各类变速器、木工机械、铁路车辆、破碎机、机床等的变速装置、矿山、饮料设备、工程船舶、摩天轮等各大领域。
SKF FYRP 3.11/16 H-18轴承详细参数
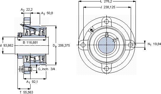
| 带法兰的滚子轴承单元, 锁定套和插口,用于英制的轴, locating units, labyrinth seals | |||||||||||
| 尺寸 | 尺寸 [英寸] | 限制速度 | 质量 | 型号 | 轴承,基本型号 | ||||||
| 动态 | 静态 | ||||||||||
| da | A1 | J | L | T | C | C0 | |||||
| mm | kN | r/min | kg | - | - | ||||||
| 93,662 | 92,1 | 238,125 | 276,2 | 55,563 | 311 | 415 | 2200 | 18,6 | FYRP 3.11/16 H-18 | 22220 | |
SKF FYRP 3.11/16 H-18轴承尺寸图纸

