轴承专区
Bearings Center
FYC 30 TF轴承-SKF FYC 30 TF轴承尺寸、图纸、价格
SKF FYC 30 TF轴承
| 产品名称: | FYC 30 TF轴承 | 品牌: | SKF |
|---|---|---|---|
| 类型: | SKF轴承 > 轴承单元 > Y-轴承法兰单元 | ||
| 描述: | FYC 30 TF轴承是【SKF轴承 > 轴承单元 > Y-轴承法兰单元】的型号,主要用在变速器、罗茨鼓风机、提升机、建筑机械、减速装置、制铁制钢机械、立式电动机、饮料设备、起重机械、正面吊等各大领域 | ||
电话/微信:138-8949-5179
SKF FYC 30 TF轴承详细信息
FYC 30 TF轴承是【SKF轴承 > 轴承单元 > Y-轴承法兰单元】的型号,主要用在变速器、罗茨鼓风机、提升机、建筑机械、减速装置、制铁制钢机械、立式电动机、饮料设备、起重机械、正面吊等各大领域。
SKF FYC 30 TF轴承详细参数
| Y-型轴承带法兰单元, 圆形铸造轴承座,平头螺钉锁定 | ||||||||||||
| 尺寸 | 基本负荷额定值 | 限制速度 | 质量 | 型号 | ||||||||
| 动态 | 静态 | 轴承单元 | 轴承座 | 轴承 | ||||||||
| d | A1 | J | L | T | C | C0 | 带轴公差h6 | |||||
| mm | kN | r/min | kg | - | ||||||||
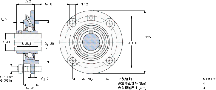
| 30 | 31 | 100 | 125 | 32,2 | 19,5 | 11,2 | 6300 | 1,35 | FYC 30 TF | FYC 506 | YAR 206-2F | |
SKF FYC 30 TF轴承尺寸图纸

