李工:138-8949-5179 刘工:135-0428-8802
型号查询
轴承型号   常见搜索: 6214轴承 7014轴承 23136轴承 6019轴承 6020轴承 6018轴承
型号查询 X

轴承专区

Bearings Center

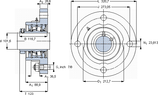
FYR 4 H-3轴承-SKF FYR 4 H-3轴承尺寸、图纸、价格

SKF FYR 4 H-3轴承

产品名称:FYR 4 H-3轴承 品牌:SKF
类型:SKF轴承 > 轴承单元 > 法兰滚子轴承单元
描述:FYR 4 H-3轴承是【SKF轴承 > 轴承单元 > 法兰滚子轴承单元】的型号,主要用在飞机喷气式发动机、燃料喷射泵、挖土机履带轮、齿轮减速装置、造纸机械、起重机吊钩、燃机、薄膜拉伸、专用车、厨具设备等各大领域

 电话/微信:138-8949-5179

SKF FYR 4 H-3轴承详细信息

FYR 4 H-3轴承是【SKF轴承 > 轴承单元 > 法兰滚子轴承单元】的型号,主要用在飞机喷气式发动机、燃料喷射泵、挖土机履带轮、齿轮减速装置、造纸机械、起重机吊钩、燃机、薄膜拉伸、专用车、厨具设备等各大领域。

SKF FYR 4 H-3轴承详细参数

带法兰的滚子轴承单元, 锁定套,用于英制的轴, locating units, radial shaft seals
尺寸尺寸 [英寸]限制速度质量型号轴承,基本型号
动态静态
daA1JLTCC0
mmkNr/minkg--
101,688,9273,05320,7123311415120024,0FYR 4 H-322220

SKF FYR 4 H-3轴承尺寸图纸

李工:138-8949-5179

刘工:135-0428-8802

地址:辽宁省大连经济技术开发区现代城3栋-13-13号

在线客服系统