李工:138-8949-5179 刘工:135-0428-8802
型号查询
轴承型号   常见搜索: 6909轴承 6900轴承 617轴承 6026轴承 6006轴承 22222轴承
型号查询 X

轴承专区

Bearings Center

FY 2. WF轴承-SKF FY 2. WF轴承尺寸、图纸、价格

SKF FY 2. WF轴承

产品名称:FY 2. WF轴承 品牌:SKF
类型:SKF轴承 > 轴承单元 > Y-轴承法兰单元
描述:FY 2. WF轴承是【SKF轴承 > 轴承单元 > Y-轴承法兰单元】的型号,主要用在农业机械、机床主轴、减速装置、汽车、轧钢机辊道子、汽车转向销、钢铁厂、饮料设备、土方机械、太阳能发电设备等各大领域

 电话/微信:138-8949-5179

SKF FY 2. WF轴承详细信息

FY 2. WF轴承是【SKF轴承 > 轴承单元 > Y-轴承法兰单元】的型号,主要用在农业机械、机床主轴、减速装置、汽车、轧钢机辊道子、汽车转向销、钢铁厂、饮料设备、土方机械、太阳能发电设备等各大领域。

SKF FY 2. WF轴承详细参数

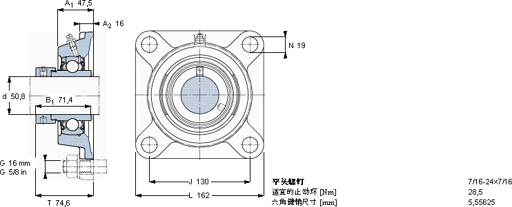
Y-型轴承带法兰单元, 方形铸造轴承座,偏心锁定轴环, 英制轴承
尺寸基本负荷额定值限制速度质量型号
动态静态轴承单元轴承座轴承
dA1JLTCC0带轴公差h6
mmkNr/minkg-
50,847,513016274,643,62936004,05FY 2. WFFY 511 UYEL 211-200-2F

SKF FY 2. WF轴承尺寸图纸

李工:138-8949-5179

刘工:135-0428-8802

地址:辽宁省大连经济技术开发区现代城3栋-13-13号

在线客服系统