轴承专区
Bearings Center
7311 BEY轴承-SKF 7311 BEY轴承尺寸、图纸、价格
SKF 7311 BEY轴承
| 产品名称: | 7311 BEY轴承 | 品牌: | SKF |
|---|---|---|---|
| 类型: | SKF轴承 > 滚动轴承 > 角接触球轴承 | ||
| 描述: | 7311 BEY轴承是【SKF轴承 > 滚动轴承 > 角接触球轴承】的型号,主要用在建筑机械、离心分离机、提升机、变速器、轧钢机齿轮箱座、制铁制钢机械、成形机、化纤机械、堆取料机、港口起重机等各大领域 | ||
电话/微信:138-8949-5179
SKF 7311 BEY轴承详细信息
7311 BEY轴承是【SKF轴承 > 滚动轴承 > 角接触球轴承】的型号,主要用在建筑机械、离心分离机、提升机、变速器、轧钢机齿轮箱座、制铁制钢机械、成形机、化纤机械、堆取料机、港口起重机等各大领域。
SKF 7311 BEY轴承详细参数
| 角接触球轴承, 单列 | |||||||||||
| 主要数据尺寸 | 尺寸 [英寸] | 疲劳负荷限值 | 额定速度 | 体积 | 型号 | ||||||
| 动态 | 静态 | 参照速度 | 限制速度 | ||||||||
| d | D | B | C | C0 | Pu | ||||||
| mm | kN | kN | r/min | kg | - | ||||||
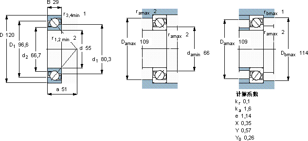
| 55 | 120 | 29 | 85,2 | 60 | 2,55 | 6700 | 6700 | 1,48 | 7311 BEY | ||
SKF 7311 BEY轴承尺寸图纸

