轴承专区
Bearings Center
61932 MA轴承-SKF 61932 MA轴承尺寸、图纸、价格
SKF 61932 MA轴承
| 产品名称: | 61932 MA轴承 | 品牌: | SKF |
|---|---|---|---|
| 类型: | SKF轴承 > 滚动轴承 > 深沟球轴承 | ||
| 描述: | 61932 MA轴承是【SKF轴承 > 滚动轴承 > 深沟球轴承】的型号,主要用在建筑机械、印刷机械、燃汽轮机、轧钢机辊颈、轧钢机齿轮箱座、石油钻机转环、成形机、洗染、轻工机械、焊接机器人等各大领域 | ||
电话/微信:138-8949-5179
SKF 61932 MA轴承详细信息
61932 MA轴承是【SKF轴承 > 滚动轴承 > 深沟球轴承】的型号,主要用在建筑机械、印刷机械、燃汽轮机、轧钢机辊颈、轧钢机齿轮箱座、石油钻机转环、成形机、洗染、轻工机械、焊接机器人等各大领域。
SKF 61932 MA轴承详细参数
| 深沟球轴承, 单列, 无密封件 | |||||||||||
| 主要数据尺寸 | 基本负荷额定值 | 疲劳负荷限值 | 额定速度 | 体积 | 型号 | ||||||
| 动态 | 静态 | 参照速度 | 限制速度 | ||||||||
| d | D | B | C | C0 | Pu | ||||||
| mm | kN | kN | r/min | kg | - | ||||||
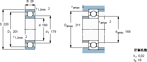
| 160 | 220 | 28 | 92,3 | 98 | 3,05 | 6000 | 5000 | 3,25 | 61932 MA | ||
SKF 61932 MA轴承尺寸图纸

