轴承专区
Bearings Center
FY 1.5/8 TF轴承-SKF FY 1.5/8 TF轴承尺寸、图纸、价格
SKF FY 1.5/8 TF轴承
| 产品名称: | FY 1.5/8 TF轴承 | 品牌: | SKF |
|---|---|---|---|
| 类型: | SKF轴承 > 轴承单元 > Y-轴承法兰单元 | ||
| 描述: | FY 1.5/8 TF轴承是【SKF轴承 > 轴承单元 > Y-轴承法兰单元】的型号,主要用在后轮、机床主轴、纺织机械传动轴、汽车、振动筛、耕耘机、水力发电机、音像设备、平地机、港口起重机等各大领域 | ||
电话/微信:138-8949-5179
SKF FY 1.5/8 TF轴承详细信息
FY 1.5/8 TF轴承是【SKF轴承 > 轴承单元 > Y-轴承法兰单元】的型号,主要用在后轮、机床主轴、纺织机械传动轴、汽车、振动筛、耕耘机、水力发电机、音像设备、平地机、港口起重机等各大领域。
SKF FY 1.5/8 TF轴承详细参数
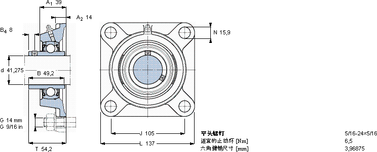
| Y-型轴承带法兰单元, 方形铸造轴承座,平头螺钉锁定, 英制轴承 | ||||||||||||
| 尺寸 | 基本负荷额定值 | 限制速度 | 质量 | 型号 | ||||||||
| 动态 | 静态 | 轴承单元 | 轴承座 | 轴承 | ||||||||
| d | A1 | J | L | T | C | C0 | 带轴公差h6 | |||||
| mm | kN | r/min | kg | - | ||||||||
| 41,275 | 39 | 105 | 137 | 54,2 | 33,2 | 21,6 | 4300 | 2,2 | FY 1.5/8 TF | FY 509 U | YAR 209-110-2F | |
SKF FY 1.5/8 TF轴承尺寸图纸

