李工:138-8949-5179 刘工:135-0428-8802
型号查询
轴承型号   常见搜索: 6018轴承 6909轴承 6030轴承 6009轴承 6019轴承 7014轴承
型号查询 X

轴承专区

Bearings Center

SI 80 TXE-2LS轴承-SKF SI 80 TXE-2LS轴承尺寸、图纸、价格

SKF SI 80 TXE-2LS轴承

产品名称:SI 80 TXE-2LS轴承 品牌:SKF
类型:SKF轴承 > 球面滑动轴承和杆端关节轴承 > 免维护的杆端关节轴承
描述:SI 80 TXE-2LS轴承是【SKF轴承 > 球面滑动轴承和杆端关节轴承 > 免维护的杆端关节轴承】的型号,主要用在家用电器、空气压缩机、提升机、大型农业机械、铁路车辆车轴、耕耘机、塔吊、制鞋、地基处理机械、雷达等各大领域

 电话/微信:138-8949-5179

SKF SI 80 TXE-2LS轴承详细信息

SI 80 TXE-2LS轴承是【SKF轴承 > 球面滑动轴承和杆端关节轴承 > 免维护的杆端关节轴承】的型号,主要用在家用电器、空气压缩机、提升机、大型农业机械、铁路车辆车轴、耕耘机、塔吊、制鞋、地基处理机械、雷达等各大领域。

SKF SI 80 TXE-2LS轴承详细参数

免维护杆端, 阴螺纹, 钢/PTFE织物 , 两面密封件
主要数据尺寸角度倾的基本负荷额定值质量型号
动态静态轴承座完全与密封件
dd2Bd3C1h1±CC0
6H
mm度数kNkg-
8018255M 80x4482955114065515,0SI 80 TXE-2LS

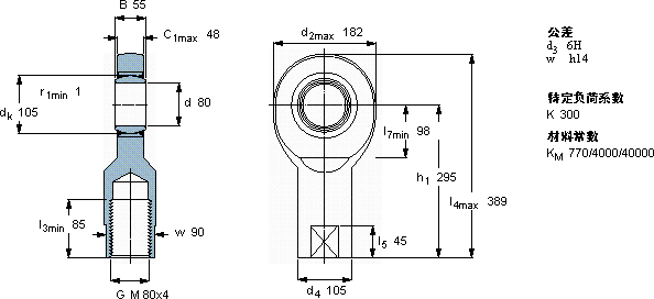
SKF SI 80 TXE-2LS轴承尺寸图纸

李工:138-8949-5179

刘工:135-0428-8802

地址:辽宁省大连经济技术开发区现代城3栋-13-13号

在线客服系统