轴承专区
Bearings Center
FBSA 207/ QBC轴承-SKF FBSA 207/ QBC轴承尺寸、图纸、价格
SKF FBSA 207/ QBC轴承
| 产品名称: | FBSA 207/ QBC轴承 | 品牌: | SKF |
|---|---|---|---|
| 类型: | SKF轴承 > 超高精密轴承 > Angular contact thrust ball bearings for screw drives | ||
| 描述: | FBSA 207/ QBC轴承是【SKF轴承 > 超高精密轴承 > Angular contact thrust ball bearings for screw drives】的型号,主要用在内燃机、油泵、木工机械、机床主轴、铁路车辆车轴、起重机吊钩、挤压机、玩具、强夯机、抓钢机等各大领域 | ||
电话/微信:138-8949-5179
SKF FBSA 207/ QBC轴承详细信息
FBSA 207/ QBC轴承是【SKF轴承 > 超高精密轴承 > Angular contact thrust ball bearings for screw drives】的型号,主要用在内燃机、油泵、木工机械、机床主轴、铁路车辆车轴、起重机吊钩、挤压机、玩具、强夯机、抓钢机等各大领域。
SKF FBSA 207/ QBC轴承详细参数
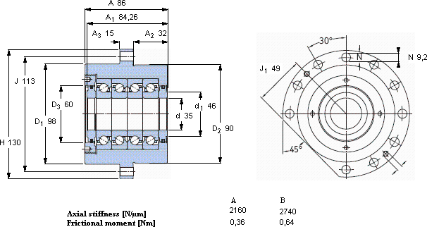
| 角接触推力球轴承 for screw drives, cartridge units with flanged housing | |||||||||||
| 主要数据尺寸 | 基本负荷额定值 | 疲劳负荷限值 | 可达到的速度 | 体积 | 型号 | ||||||
| 动态 | 静态 | 预压 | SKF | SNFA | |||||||
| A | B | ||||||||||
| d | D2 | A | C | C0 | Pu | ||||||
| mm | kN | kN | r/min | kg | - | ||||||
| 35 | 90 | 86 | 59,495 | 196 | 7,3 | 3500 | 1750 | 4,6 | FBSA 207/ QBC | BSQU 235 TDT | |
SKF FBSA 207/ QBC轴承尺寸图纸

