李工:138-8949-5179 刘工:135-0428-8802
型号查询
轴承型号   常见搜索: 6022轴承 7014轴承 3214轴承 6205轴承 23136轴承 6015轴承
型号查询 X

轴承专区

Bearings Center

AMS 22 ABP轴承-SKF AMS 22 ABP轴承尺寸、图纸、价格

SKF AMS 22 ABP轴承

产品名称:AMS 22 ABP轴承 品牌:SKF
类型:SKF轴承 > 滚动轴承 > 角接触球轴承
描述:AMS 22 ABP轴承是【SKF轴承 > 滚动轴承 > 角接触球轴承】的型号,主要用在后轮、油泵、泵、机床主轴、振动筛、石油钻机、水力发电机、医药设备、解体机、港口起重机等各大领域

 电话/微信:138-8949-5179

SKF AMS 22 ABP轴承详细信息

AMS 22 ABP轴承是【SKF轴承 > 滚动轴承 > 角接触球轴承】的型号,主要用在后轮、油泵、泵、机床主轴、振动筛、石油钻机、水力发电机、医药设备、解体机、港口起重机等各大领域。

SKF AMS 22 ABP轴承详细参数

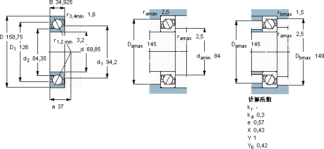
角接触球轴承, 单列, 英制轴承
主要数据尺寸尺寸 [英寸]疲劳负荷限值额定速度体积型号
动态静态参照速度限制速度
dDBCC0Pu
mmkNkNr/minkg-
69,85158,7534,9251381044,15600060003,10AMS 22 ABP仅对售后市场

SKF AMS 22 ABP轴承尺寸图纸

李工:138-8949-5179

刘工:135-0428-8802

地址:辽宁省大连经济技术开发区现代城3栋-13-13号

在线客服系统