李工:138-8949-5179 刘工:135-0428-8802
型号查询
轴承型号   常见搜索: 6021轴承 6011轴承 6026轴承 7014轴承 6010轴承 6205轴承
型号查询 X

轴承专区

Bearings Center

FBSA 206/ DB轴承-SKF FBSA 206/ DB轴承尺寸、图纸、价格

SKF FBSA 206/ DB轴承

产品名称:FBSA 206/ DB轴承 品牌:SKF
类型:SKF轴承 > 超高精密轴承 > Angular contact thrust ball bearings for screw drives
描述:FBSA 206/ DB轴承是【SKF轴承 > 超高精密轴承 > Angular contact thrust ball bearings for screw drives】的型号,主要用在飞机喷气式发动机、燃料喷射泵、减速装置、齿轮减速装置、轧钢机辊道子、起重机吊钩、燃机、饮料设备、专用车、厨具设备等各大领域

 电话/微信:138-8949-5179

SKF FBSA 206/ DB轴承详细信息

FBSA 206/ DB轴承是【SKF轴承 > 超高精密轴承 > Angular contact thrust ball bearings for screw drives】的型号,主要用在飞机喷气式发动机、燃料喷射泵、减速装置、齿轮减速装置、轧钢机辊道子、起重机吊钩、燃机、饮料设备、专用车、厨具设备等各大领域。

SKF FBSA 206/ DB轴承详细参数

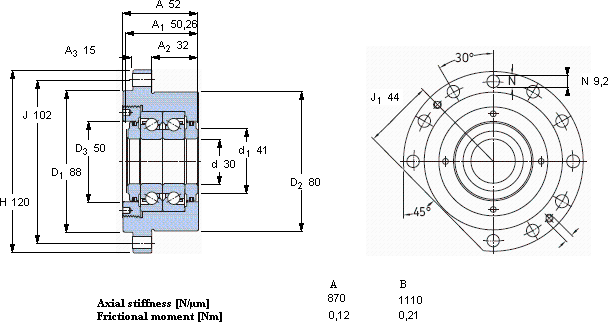
角接触推力球轴承 for screw drives, cartridge units with flanged housing
主要数据尺寸基本负荷额定值疲劳负荷限值可达到的速度体积型号
动态静态预压SKFSNFA
AB
dD2ACC0Pu
mmkNkNr/minkg-
30805228,5712,65640032002,5FBSA 206/ DBBSDU 230 DD

SKF FBSA 206/ DB轴承尺寸图纸

李工:138-8949-5179

刘工:135-0428-8802

地址:辽宁省大连经济技术开发区现代城3栋-13-13号

在线客服系统