轴承专区
Bearings Center
BA2B 309492轴承-SKF BA2B 309492轴承尺寸、图纸、价格
SKF BA2B 309492轴承
| 产品名称: | BA2B 309492轴承 | 品牌: | SKF |
|---|---|---|---|
| 类型: | SKF轴承 > 滚动轴承 > 角接触球轴承 | ||
| 描述: | BA2B 309492轴承是【SKF轴承 > 滚动轴承 > 角接触球轴承】的型号,主要用在飞机喷气式发动机、小型汽车前轮、燃汽轮机、差速器、铁路车辆车轴、耕耘机、燃机、啤酒、平地机、厨具设备等各大领域 | ||
电话/微信:138-8949-5179
SKF BA2B 309492轴承详细信息
BA2B 309492轴承是【SKF轴承 > 滚动轴承 > 角接触球轴承】的型号,主要用在飞机喷气式发动机、小型汽车前轮、燃汽轮机、差速器、铁路车辆车轴、耕耘机、燃机、啤酒、平地机、厨具设备等各大领域。
SKF BA2B 309492轴承详细参数
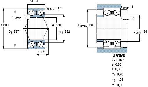
| 角接触球轴承, 单列,用于配对安装, 背对背配对 | |||||||||||
| 主要数据尺寸 | 基本负荷额定值 | 疲劳负荷限值 | 额定速度 | 体积 | 型号 | 轴承配对 | |||||
| 动态 | 静态 | 参照速度 | 限制速度 | ||||||||
| d | D | 2B | C | C0 | Pu | ||||||
| mm | kN | kN | r/min | kg | - | - | |||||
| 530 | 600 | 70 | 345 | 1000 | 18 | 700 | 950 | 24,5 | BA2B 309492 | DB1 | |
SKF BA2B 309492轴承尺寸图纸

