李工:138-8949-5179 刘工:135-0428-8802
型号查询
轴承型号   常见搜索: 6309轴承 6004轴承 6017轴承 6305轴承 6010轴承 7014轴承
型号查询 X

轴承专区

Bearings Center

C 2217 KV + H 317 *轴承-SKF C 2217 KV + H 317 *轴承尺寸、图纸、价格

SKF C 2217 KV + H 317 *轴承

产品名称:C 2217 KV + H 317 *轴承 品牌:SKF
类型:SKF轴承 > 滚动轴承 > CARB®圆环滚子轴承
描述:C 2217 KV + H 317 *轴承是【SKF轴承 > 滚动轴承 > CARB®圆环滚子轴承】的型号,主要用在建筑机械、罗茨鼓风机、中型及大型电动机、建筑机械、破碎机、制铁制钢机械、成形机、玩具、起重机械、泥炮等各大领域

 电话/微信:138-8949-5179

SKF C 2217 KV + H 317 *轴承详细信息

C 2217 KV + H 317 *轴承是【SKF轴承 > 滚动轴承 > CARB®圆环滚子轴承】的型号,主要用在建筑机械、罗茨鼓风机、中型及大型电动机、建筑机械、破碎机、制铁制钢机械、成形机、玩具、起重机械、泥炮等各大领域。

SKF C 2217 KV + H 317 *轴承详细参数

CARB圆环滚子轴承, 带紧定套的, 满
主要数据尺寸基本负荷额定值疲劳负荷限值额定速度体积型号
动态静态参照速度限制速度轴承 + 紧定套
d1DBCC0Pu * - SKF Explorer 轴承 **-请查实能否供货
mmkNkNr/minkg-
751503631539043-18003,85C 2217 KV + H 317 ***

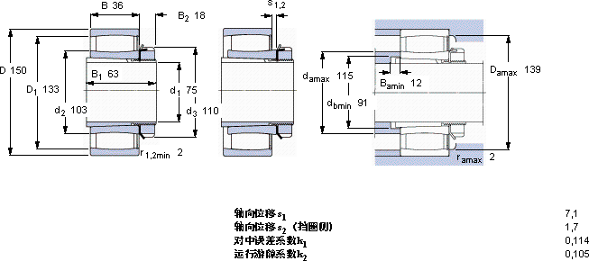
SKF C 2217 KV + H 317 *轴承尺寸图纸

李工:138-8949-5179

刘工:135-0428-8802

地址:辽宁省大连经济技术开发区现代城3栋-13-13号

在线客服系统