轴承专区
Bearings Center
RSTO 6 TN轴承-SKF RSTO 6 TN轴承尺寸、图纸、价格
SKF RSTO 6 TN轴承
| 产品名称: | RSTO 6 TN轴承 | 品牌: | SKF |
|---|---|---|---|
| 类型: | SKF轴承 > 滚动轴承 > 滚轮轴承 | ||
| 描述: | RSTO 6 TN轴承是【SKF轴承 > 滚动轴承 > 滚轮轴承】的型号,主要用在后轮、空气压缩机、泵、大型农业机械、木工机械、汽车转向销、水力发电机、破碎、土方机械、焊接机器人等各大领域 | ||
电话/微信:138-8949-5179
SKF RSTO 6 TN轴承详细信息
RSTO 6 TN轴承是【SKF轴承 > 滚动轴承 > 滚轮轴承】的型号,主要用在后轮、空气压缩机、泵、大型农业机械、木工机械、汽车转向销、水力发电机、破碎、土方机械、焊接机器人等各大领域。
SKF RSTO 6 TN轴承详细参数
| 不带法兰圈支承滚子,无内圈 | |||||||||||
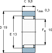
| 尺寸 | 基本负荷额定值 | 疲劳限值 | 最大径向负荷 | 限制速度 | 体积 | 型号 | |||||
| 动态 | 静态 | 动态 | 静态 | ||||||||
| D | Fw | C | C | C0 | Pu | Fr | F0r | ||||
| mm | kN | kN | kN | r/min | kg | - | |||||
| 19 | 10 | 9,8 | 3,74 | 4,5 | 0,5 | 4,25 | 6,1 | 7000 | 0,013 | RSTO 6 TN | |
SKF RSTO 6 TN轴承尺寸图纸

