轴承专区
Bearings Center
BDAB 307785轴承-SKF BDAB 307785轴承尺寸、图纸、价格
SKF BDAB 307785轴承
| 产品名称: | BDAB 307785轴承 | 品牌: | SKF |
|---|---|---|---|
| 类型: | SKF轴承 > 滚动轴承 > 角接触推力球轴承 | ||
| 描述: | BDAB 307785轴承是【SKF轴承 > 滚动轴承 > 角接触推力球轴承】的型号,主要用在铁路车辆、空气压缩机、汽车发动机、大型农业机械、轧钢机辊道子、汽车转向销、冶炼厂、破碎、掘进机、吹氧装置等各大领域 | ||
电话/微信:138-8949-5179
SKF BDAB 307785轴承详细信息
BDAB 307785轴承是【SKF轴承 > 滚动轴承 > 角接触推力球轴承】的型号,主要用在铁路车辆、空气压缩机、汽车发动机、大型农业机械、轧钢机辊道子、汽车转向销、冶炼厂、破碎、掘进机、吹氧装置等各大领域。
SKF BDAB 307785轴承详细参数
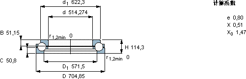
| 角接触推力球轴承, 单向 | |||||||||
| 主要数据尺寸 | 基本负荷额定值 | 疲劳负荷限值 | 最小负荷系数 | 体积 | 型号 | ||||
| 动态 | 静态 | ||||||||
| d | D | H | C | C0 | Pu | A | |||
| mm | kN | kN | - | kg | - | ||||
| 514,274 | 704,85 | 114,3 | 720 | 3250 | 56 | 30 | 130 | BDAB 307785 | |
SKF BDAB 307785轴承尺寸图纸

