轴承专区
Bearings Center
HMVC 72E轴承-SKF HMVC 72E轴承尺寸、图纸、价格
SKF HMVC 72E轴承
| 产品名称: | HMVC 72E轴承 | 品牌: | SKF |
|---|---|---|---|
| 类型: | SKF轴承 > 滚动轴承 > 轴承附件 | ||
| 描述: | HMVC 72E轴承是【SKF轴承 > 滚动轴承 > 轴承附件】的型号,主要用在燃汽轮机、高频马达、泵、前轮、各类产业用减速机、机床主轴、电机厂、洗染、挖掘机、码垛机器人等各大领域 | ||
电话/微信:138-8949-5179
SKF HMVC 72E轴承详细信息
HMVC 72E轴承是【SKF轴承 > 滚动轴承 > 轴承附件】的型号,主要用在燃汽轮机、高频马达、泵、前轮、各类产业用减速机、机床主轴、电机厂、洗染、挖掘机、码垛机器人等各大领域。
SKF HMVC 72E轴承详细参数
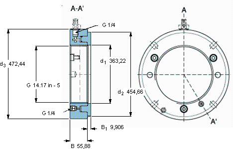
| Hydraulic nuts, inch sizes | ||||||||||||
| 螺纹尺寸 | 尺寸 | Permitted | Piston area | 体积 | 型号 | |||||||
| piston | ||||||||||||
| G | d1 | d2 | d3 | B | B1 | displacement | ||||||
| mm | mm (metric sizes) | mm | mm | mm2 (metric sizes) | kg | - | ||||||
| in - threads/in (inch sizes) | in2 (inch sizes) | |||||||||||
| 356,87 | 14.17 in - 5 | 363,22 | 454,66 | 472,44 | 55,88 | 9,906 | 14,986 | 48,5 | 78,3 | HMVC 72E | - | |
SKF HMVC 72E轴承尺寸图纸

