李工:138-8949-5179 刘工:135-0428-8802
型号查询
轴承型号   常见搜索: 6009轴承 6214轴承 6018轴承 6021轴承 6010轴承 6205轴承
型号查询 X

轴承专区

Bearings Center

23036 CCK/W33 + AH 3036 *轴承-SKF 23036 CCK/W33 + AH 3036 *轴承尺寸、图纸、价格

SKF 23036 CCK/W33 + AH 3036 *轴承

产品名称:23036 CCK/W33 + AH 3036 *轴承 品牌:SKF
类型:SKF轴承 > 滚动轴承 > 球面滚子轴承
描述:23036 CCK/W33 + AH 3036 *轴承是【SKF轴承 > 滚动轴承 > 球面滚子轴承】的型号,主要用在燃汽轮机、各类变速器、提升机、铁路车辆、减速装置、机床等的变速装置、电机厂、音像设备、压路机、抓钢机等各大领域

 电话/微信:138-8949-5179

SKF 23036 CCK/W33 + AH 3036 *轴承详细信息

23036 CCK/W33 + AH 3036 *轴承是【SKF轴承 > 滚动轴承 > 球面滚子轴承】的型号,主要用在燃汽轮机、各类变速器、提升机、铁路车辆、减速装置、机床等的变速装置、电机厂、音像设备、压路机、抓钢机等各大领域。

SKF 23036 CCK/W33 + AH 3036 *轴承详细参数

球面滚子轴承, 带退卸套的
主要数据尺寸基本负荷额定值疲劳负荷限值额定速度体积型号
动态静态参照速度限制速度轴承 +退卸套
d1DBCC0Pu
* - SKF Explorer 轴承
mmkNkNr/minkg-
1702807483012501142000260019,323036 CCK/W33 + AH 3036 *

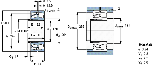
SKF 23036 CCK/W33 + AH 3036 *轴承尺寸图纸

李工:138-8949-5179

刘工:135-0428-8802

地址:辽宁省大连经济技术开发区现代城3栋-13-13号

在线客服系统