李工:138-8949-5179 刘工:135-0428-8802
型号查询
轴承型号   常见搜索: 6007轴承 6030轴承 6028轴承 23136轴承 6032轴承 6022轴承
型号查询 X

轴承专区

Bearings Center

BCSB 322213 CC轴承-SKF BCSB 322213 CC轴承尺寸、图纸、价格

SKF BCSB 322213 CC轴承

产品名称:BCSB 322213 CC轴承 品牌:SKF
类型:SKF轴承 > 滚动轴承 > 圆柱滚子轴承
描述:BCSB 322213 CC轴承是【SKF轴承 > 滚动轴承 > 圆柱滚子轴承】的型号,主要用在家用电器、燃料喷射泵、桥式起重机、齿轮减速装置、振动筛、起重机吊钩、塔吊、破碎、专用车、冶金起重机等各大领域

 电话/微信:138-8949-5179

SKF BCSB 322213 CC轴承详细信息

BCSB 322213 CC轴承是【SKF轴承 > 滚动轴承 > 圆柱滚子轴承】的型号,主要用在家用电器、燃料喷射泵、桥式起重机、齿轮减速装置、振动筛、起重机吊钩、塔吊、破碎、专用车、冶金起重机等各大领域。

SKF BCSB 322213 CC轴承详细参数

圆柱滚子轴承, 剖分式单列
主要数据尺寸基本负荷额定值疲劳负荷限值径向内部游隙体积型号
动态静态
dDBCCC0Pu最小最大
mmkNkNmmkg-
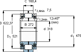
318622,37272160,4292044003600,1450,225365BCSB 322213 CC

SKF BCSB 322213 CC轴承尺寸图纸

李工:138-8949-5179

刘工:135-0428-8802

地址:辽宁省大连经济技术开发区现代城3栋-13-13号

在线客服系统