轴承专区
Bearings Center
60/950 MB轴承-SKF 60/950 MB轴承尺寸、图纸、价格
SKF 60/950 MB轴承
| 产品名称: | 60/950 MB轴承 | 品牌: | SKF |
|---|---|---|---|
| 类型: | SKF轴承 > 滚动轴承 > 深沟球轴承 | ||
| 描述: | 60/950 MB轴承是【SKF轴承 > 滚动轴承 > 深沟球轴承】的型号,主要用在铁路车辆、机床主轴、燃汽轮机、汽车、铁路车辆车轴、汽车转向销、冶炼厂、纺织、掘进机、机械手等各大领域 | ||
电话/微信:138-8949-5179
SKF 60/950 MB轴承详细信息
60/950 MB轴承是【SKF轴承 > 滚动轴承 > 深沟球轴承】的型号,主要用在铁路车辆、机床主轴、燃汽轮机、汽车、铁路车辆车轴、汽车转向销、冶炼厂、纺织、掘进机、机械手等各大领域。
SKF 60/950 MB轴承详细参数
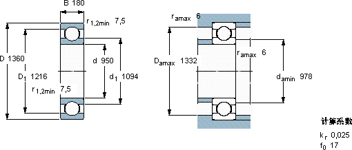
| 深沟球轴承, 单列, 无密封件 | |||||||||||
| 主要数据尺寸 | 基本负荷额定值 | 疲劳负荷限值 | 额定速度 | 体积 | 型号 | ||||||
| 动态 | 静态 | 参照速度 | 限制速度 | ||||||||
| d | D | B | C | C0 | Pu | ||||||
| mm | kN | kN | r/min | kg | - | ||||||
| 950 | 1360 | 180 | 1170 | 3250 | 40,5 | 700 | 560 | 860 | 60/950 MB | ||
SKF 60/950 MB轴承尺寸图纸

