轴承专区
Bearings Center
BC1B 319576 DA轴承-SKF BC1B 319576 DA轴承尺寸、图纸、价格
SKF BC1B 319576 DA轴承
| 产品名称: | BC1B 319576 DA轴承 | 品牌: | SKF |
|---|---|---|---|
| 类型: | SKF轴承 > 滚动轴承 > 圆柱滚子轴承 | ||
| 描述: | BC1B 319576 DA轴承是【SKF轴承 > 滚动轴承 > 圆柱滚子轴承】的型号,主要用在变速器、各类变速器、挖土机履带轮、铁路车辆、印刷机械、机床主轴、立式电动机、洗染、混凝土机械、机械手等各大领域 | ||
电话/微信:138-8949-5179
SKF BC1B 319576 DA轴承详细信息
BC1B 319576 DA轴承是【SKF轴承 > 滚动轴承 > 圆柱滚子轴承】的型号,主要用在变速器、各类变速器、挖土机履带轮、铁路车辆、印刷机械、机床主轴、立式电动机、洗染、混凝土机械、机械手等各大领域。
SKF BC1B 319576 DA轴承详细参数
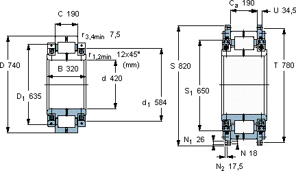
| 圆柱滚子轴承, 剖分式单列 | |||||||||||
| 主要数据尺寸 | 基本负荷额定值 | 疲劳负荷限值 | 径向内部游隙 | 体积 | 型号 | ||||||
| 动态 | 静态 | ||||||||||
| d | D | B | C | C | C0 | Pu | 最小 | 最大 | |||
| mm | kN | kN | mm | kg | - | ||||||
| 420 | 740 | 320 | 190 | 4020 | 6700 | 520 | 0,21 | 0,31 | 680 | BC1B 319576 DA | |
SKF BC1B 319576 DA轴承尺寸图纸

