轴承专区
Bearings Center
RLS 16轴承-SKF RLS 16轴承尺寸、图纸、价格
SKF RLS 16轴承
| 产品名称: | RLS 16轴承 | 品牌: | SKF |
|---|---|---|---|
| 类型: | SKF轴承 > 滚动轴承 > 深沟球轴承 | ||
| 描述: | RLS 16轴承是【SKF轴承 > 滚动轴承 > 深沟球轴承】的型号,主要用在电气装置部件、空气压缩机、中型及大型电动机、大型农业机械、振动筛、汽车转向销、船舶用螺旋桨轴、钟表、掘进机、风力发电设备等各大领域 | ||
电话/微信:138-8949-5179
SKF RLS 16轴承详细信息
RLS 16轴承是【SKF轴承 > 滚动轴承 > 深沟球轴承】的型号,主要用在电气装置部件、空气压缩机、中型及大型电动机、大型农业机械、振动筛、汽车转向销、船舶用螺旋桨轴、钟表、掘进机、风力发电设备等各大领域。
SKF RLS 16轴承详细参数
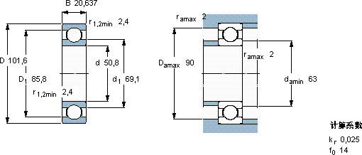
| 深沟球轴承, 单列, 无密封件,带英制尺寸 | |||||||||||
| 主要数据尺寸 | 基本负荷额定值 | 疲劳负荷限值 | 额定速度 | 体积 | 型号 | ||||||
| 动态 | 静态 | 参照速度 | 限制速度 | ||||||||
| d | D | B | C | C0 | Pu | ||||||
| mm | kN | kN | r/min | kg | - | ||||||
| 50,8 | 101,6 | 20,637 | 35,1 | 23,2 | 0,98 | 14000 | 10000 | 0,70 | RLS 16 | 仅对售后市场 | |
SKF RLS 16轴承尺寸图纸

