轴承专区
Bearings Center
30307 RJ2/Q轴承-SKF 30307 RJ2/Q轴承尺寸、图纸、价格
SKF 30307 RJ2/Q轴承
| 产品名称: | 30307 RJ2/Q轴承 | 品牌: | SKF |
|---|---|---|---|
| 类型: | SKF轴承 > 滚动轴承 > 圆锥滚子轴承 | ||
| 描述: | 30307 RJ2/Q轴承是【SKF轴承 > 滚动轴承 > 圆锥滚子轴承】的型号,主要用在装卸搬运机械、离心分离机、木工机械、变速器、印刷机械、石油钻机转环、矿山、塑料、轻工机械、摩天轮等各大领域 | ||
电话/微信:138-8949-5179
SKF 30307 RJ2/Q轴承详细信息
30307 RJ2/Q轴承是【SKF轴承 > 滚动轴承 > 圆锥滚子轴承】的型号,主要用在装卸搬运机械、离心分离机、木工机械、变速器、印刷机械、石油钻机转环、矿山、塑料、轻工机械、摩天轮等各大领域。
SKF 30307 RJ2/Q轴承详细参数
| 圆锥滚子轴承, 单列, 公制轴承, 外圈有挡边 | ||||||||||
| 主要数据尺寸 | 基本负荷额定值 | 疲劳负荷限值 | 额定速度 | 体积 | 型号 | |||||
| 动态 | 静态 | 参照速度 | 限制速度 | |||||||
| d | D | T | C | C0 | Pu | |||||
| mm | kN | kN | r/min | kg | - | |||||
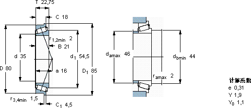
| 35 | 80 | 22,75 | 72,1 | 73,5 | 8,3 | 6700 | 9000 | 0,52 | 30307 RJ2/Q | |
SKF 30307 RJ2/Q轴承尺寸图纸

