轴承专区
Bearings Center
316733 DB轴承-SKF 316733 DB轴承尺寸、图纸、价格
SKF 316733 DB轴承
| 产品名称: | 316733 DB轴承 | 品牌: | SKF |
|---|---|---|---|
| 类型: | SKF轴承 > 滚动轴承 > 圆柱滚子轴承 | ||
| 描述: | 316733 DB轴承是【SKF轴承 > 滚动轴承 > 圆柱滚子轴承】的型号,主要用在燃汽轮机、差速器小齿轮轴、汽车发动机、小齿轮轴、减速装置、机床主轴、电机厂、制鞋、混凝土机械、数控设备等各大领域 | ||
电话/微信:138-8949-5179
SKF 316733 DB轴承详细信息
316733 DB轴承是【SKF轴承 > 滚动轴承 > 圆柱滚子轴承】的型号,主要用在燃汽轮机、差速器小齿轮轴、汽车发动机、小齿轮轴、减速装置、机床主轴、电机厂、制鞋、混凝土机械、数控设备等各大领域。
SKF 316733 DB轴承详细参数
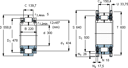
| 圆柱滚子轴承, 剖分式单列 | |||||||||||
| 主要数据尺寸 | 基本负荷额定值 | 疲劳负荷限值 | 径向内部游隙 | 体积 | 型号 | ||||||
| 动态 | 静态 | ||||||||||
| d | D | B | C | C | C0 | Pu | 最小 | 最大 | |||
| mm | kN | kN | mm | kg | - | ||||||
| 300 | 558,8 | 220 | 139,7 | 2330 | 3250 | 280 | 0,13 | 0,205 | 305 | 316733 DB | |
SKF 316733 DB轴承尺寸图纸

