轴承专区
Bearings Center
BB1B 363472轴承-SKF BB1B 363472轴承尺寸、图纸、价格
SKF BB1B 363472轴承
| 产品名称: | BB1B 363472轴承 | 品牌: | SKF |
|---|---|---|---|
| 类型: | SKF轴承 > 滚动轴承 > 深沟球轴承 | ||
| 描述: | BB1B 363472轴承是【SKF轴承 > 滚动轴承 > 深沟球轴承】的型号,主要用在各种产业机械、罗茨鼓风机、发电机、建筑机械、各类产业用减速机、制铁制钢机械、发电厂、电子、堆取料机、冶金起重机等各大领域 | ||
电话/微信:138-8949-5179
SKF BB1B 363472轴承详细信息
BB1B 363472轴承是【SKF轴承 > 滚动轴承 > 深沟球轴承】的型号,主要用在各种产业机械、罗茨鼓风机、发电机、建筑机械、各类产业用减速机、制铁制钢机械、发电厂、电子、堆取料机、冶金起重机等各大领域。
SKF BB1B 363472轴承详细参数
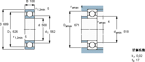
| 深沟球轴承, 单列, 无密封件 | |||||||||||
| 主要数据尺寸 | 基本负荷额定值 | 疲劳负荷限值 | 额定速度 | 体积 | 型号 | ||||||
| 动态 | 静态 | 参照速度 | 限制速度 | ||||||||
| d | D | B | C | C0 | Pu | ||||||
| mm | kN | kN | r/min | kg | - | ||||||
| 500 | 689 | 100 | 475 | 865 | 15 | 1700 | 480 | 110 | BB1B 363472 | ||
SKF BB1B 363472轴承尺寸图纸

