李工:138-8949-5179 刘工:135-0428-8802
型号查询
轴承型号   常见搜索: 32313轴承 6214轴承 6006轴承 6026轴承 6016轴承 6909轴承
型号查询 X

轴承专区

Bearings Center

W 619/4轴承-SKF W 619/4轴承尺寸、图纸、价格

SKF W 619/4轴承

产品名称:W 619/4轴承 品牌:SKF
类型:SKF轴承 > 滚动轴承 > 深沟球轴承
描述:W 619/4轴承是【SKF轴承 > 滚动轴承 > 深沟球轴承】的型号,主要用在家用电器、机床主轴、汽车发动机、汽车、振动筛、耕耘机、塔吊、制鞋、平地机、塔式车库等各大领域

 电话/微信:138-8949-5179

SKF W 619/4轴承详细信息

W 619/4轴承是【SKF轴承 > 滚动轴承 > 深沟球轴承】的型号,主要用在家用电器、机床主轴、汽车发动机、汽车、振动筛、耕耘机、塔吊、制鞋、平地机、塔式车库等各大领域。

SKF W 619/4轴承详细参数

深沟球轴承, 单列,不锈钢, 无密封件
主要数据尺寸基本负荷额定值疲劳负荷限值额定速度体积型号
动态静态参照速度限制速度
dDBCC0Pu
mmkNkNr/minkg-
41140,6050,2240,0098130000800000,0019W 619/4

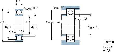
SKF W 619/4轴承尺寸图纸

李工:138-8949-5179

刘工:135-0428-8802

地址:辽宁省大连经济技术开发区现代城3栋-13-13号

在线客服系统