李工:138-8949-5179 刘工:135-0428-8802
型号查询
轴承型号   常见搜索: 7014轴承 6008轴承 6017轴承 6305轴承 6014轴承 6026轴承
型号查询 X

轴承专区

Bearings Center

61948 MA轴承-SKF 61948 MA轴承尺寸、图纸、价格

SKF 61948 MA轴承

产品名称:61948 MA轴承 品牌:SKF
类型:SKF轴承 > 滚动轴承 > 深沟球轴承
描述:61948 MA轴承是【SKF轴承 > 滚动轴承 > 深沟球轴承】的型号,主要用在仪表、离心分离机、减速装置、变速器、轧钢机齿轮箱座、石油钻机转环、碾煤机、破碎、凿岩机械、坦克等各大领域

 电话/微信:138-8949-5179

SKF 61948 MA轴承详细信息

61948 MA轴承是【SKF轴承 > 滚动轴承 > 深沟球轴承】的型号,主要用在仪表、离心分离机、减速装置、变速器、轧钢机齿轮箱座、石油钻机转环、碾煤机、破碎、凿岩机械、坦克等各大领域。

SKF 61948 MA轴承详细参数

深沟球轴承, 单列, 无密封件
主要数据尺寸基本负荷额定值疲劳负荷限值额定速度体积型号
动态静态参照速度限制速度
dDBCC0Pu
mmkNkNr/minkg-
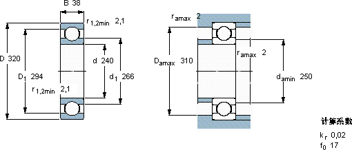
240320381592005,1400032008,661948 MA

SKF 61948 MA轴承尺寸图纸

李工:138-8949-5179

刘工:135-0428-8802

地址:辽宁省大连经济技术开发区现代城3栋-13-13号

在线客服系统