轴承专区
Bearings Center
98204 Y轴承-SKF 98204 Y轴承尺寸、图纸、价格
SKF 98204 Y轴承
| 产品名称: | 98204 Y轴承 | 品牌: | SKF |
|---|---|---|---|
| 类型: | SKF轴承 > 滚动轴承 > 深沟球轴承 | ||
| 描述: | 98204 Y轴承是【SKF轴承 > 滚动轴承 > 深沟球轴承】的型号,主要用在装卸搬运机械、离心分离机、燃汽轮机、变速器、减速装置、制铁制钢机械、矿山、破碎、堆取料机、摩天轮等各大领域 | ||
电话/微信:138-8949-5179
SKF 98204 Y轴承详细信息
98204 Y轴承是【SKF轴承 > 滚动轴承 > 深沟球轴承】的型号,主要用在装卸搬运机械、离心分离机、燃汽轮机、变速器、减速装置、制铁制钢机械、矿山、破碎、堆取料机、摩天轮等各大领域。
SKF 98204 Y轴承详细参数
| 深沟球轴承, 单列, 无密封件 | |||||||||||
| 主要数据尺寸 | 基本负荷额定值 | 疲劳负荷限值 | 额定速度 | 体积 | 型号 | ||||||
| 动态 | 静态 | 参照速度 | 限制速度 | ||||||||
| d | D | B | C | C0 | Pu | ||||||
| mm | kN | kN | r/min | kg | - | ||||||
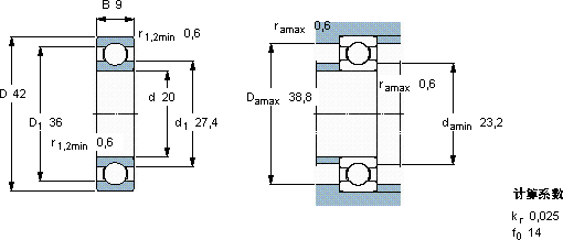
| 20 | 42 | 9 | 7,93 | 4,5 | 0,19 | 38000 | 24000 | 0,051 | 98204 Y | ||
SKF 98204 Y轴承尺寸图纸

