李工:138-8949-5179 刘工:135-0428-8802
型号查询
轴承型号   常见搜索: 2026轴承 6017轴承 6900轴承 6020轴承 6214轴承 22222轴承
型号查询 X

轴承专区

Bearings Center

SI 30 C轴承-SKF SI 30 C轴承尺寸、图纸、价格

SKF SI 30 C轴承

产品名称:SI 30 C轴承 品牌:SKF
类型:SKF轴承 > 球面滑动轴承和杆端关节轴承 > 免维护的杆端关节轴承
描述:SI 30 C轴承是【SKF轴承 > 球面滑动轴承和杆端关节轴承 > 免维护的杆端关节轴承】的型号,主要用在铁路车辆、空气压缩机、压缩机、大型农业机械、木工机械、耕耘机、冶炼厂、薄膜拉伸、平地机、吹氧装置等各大领域

 电话/微信:138-8949-5179

SKF SI 30 C轴承详细信息

SI 30 C轴承是【SKF轴承 > 球面滑动轴承和杆端关节轴承 > 免维护的杆端关节轴承】的型号,主要用在铁路车辆、空气压缩机、压缩机、大型农业机械、木工机械、耕耘机、冶炼厂、薄膜拉伸、平地机、吹氧装置等各大领域。

SKF SI 30 C轴承详细参数

免维护杆端, 阴螺纹, 钢/烧结铜复合材料
主要数据尺寸角度倾的基本负荷额定值质量型号
动态静态轴承座完全与密封件
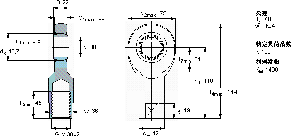
dd2Bd3C1h1±CC0
6H
mm度数kNkg-
307522M 30x220110665,51181,00SI 30 C

SKF SI 30 C轴承尺寸图纸

李工:138-8949-5179

刘工:135-0428-8802

地址:辽宁省大连经济技术开发区现代城3栋-13-13号

在线客服系统