李工:138-8949-5179 刘工:135-0428-8802
型号查询
轴承型号   常见搜索: 6010轴承 6305轴承 6019轴承 6001轴承 6012轴承 6013轴承
型号查询 X

轴承专区

Bearings Center

239/950 CAK/W33 + OH 39/950 H轴承-SKF 239/950 CAK/W33 + OH 39/950 H轴承尺寸、图纸、价格

SKF 239/950 CAK/W33 + OH 39/950 H轴承

产品名称:239/950 CAK/W33 + OH 39/950 H轴承 品牌:SKF
类型:SKF轴承 > 滚动轴承 > 球面滚子轴承
描述:239/950 CAK/W33 + OH 39/950 H轴承是【SKF轴承 > 滚动轴承 > 球面滚子轴承】的型号,主要用在变速器、各类变速器、减速装置、铁路车辆、破碎机、机床等的变速装置、立式电动机、饮料设备、压路机、机械手等各大领域

 电话/微信:138-8949-5179

SKF 239/950 CAK/W33 + OH 39/950 H轴承详细信息

239/950 CAK/W33 + OH 39/950 H轴承是【SKF轴承 > 滚动轴承 > 球面滚子轴承】的型号,主要用在变速器、各类变速器、减速装置、铁路车辆、破碎机、机床等的变速装置、立式电动机、饮料设备、压路机、机械手等各大领域。

SKF 239/950 CAK/W33 + OH 39/950 H轴承详细参数

球面滚子轴承, 带紧定套的
主要数据尺寸基本负荷额定值疲劳负荷限值额定速度体积型号
动态静态参照速度限制速度轴承 + 紧定套
d1DBCC0Pu
mmkNkNr/minkg-
900125022472501960011202204301120239/950 CAK/W33 + OH 39/950 H

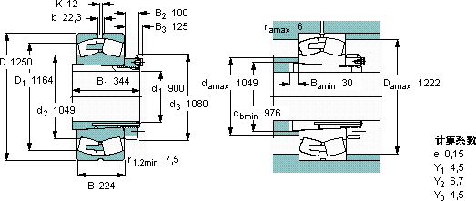
SKF 239/950 CAK/W33 + OH 39/950 H轴承尺寸图纸

李工:138-8949-5179

刘工:135-0428-8802

地址:辽宁省大连经济技术开发区现代城3栋-13-13号

在线客服系统