李工:138-8949-5179 刘工:135-0428-8802
型号查询
轴承型号   常见搜索: 6015轴承 6024轴承 6013轴承 3214轴承 6011轴承 6008轴承
型号查询 X

轴承专区

Bearings Center

7405 BCBM轴承-SKF 7405 BCBM轴承尺寸、图纸、价格

SKF 7405 BCBM轴承

产品名称:7405 BCBM轴承 品牌:SKF
类型:SKF轴承 > 滚动轴承 > 角接触球轴承
描述:7405 BCBM轴承是【SKF轴承 > 滚动轴承 > 角接触球轴承】的型号,主要用在建筑机械、罗茨鼓风机、木工机械、建筑机械、轧钢机齿轮箱座、石油钻机转环、成形机、破碎、凿岩机械、泥炮等各大领域

 电话/微信:138-8949-5179

SKF 7405 BCBM轴承详细信息

7405 BCBM轴承是【SKF轴承 > 滚动轴承 > 角接触球轴承】的型号,主要用在建筑机械、罗茨鼓风机、木工机械、建筑机械、轧钢机齿轮箱座、石油钻机转环、成形机、破碎、凿岩机械、泥炮等各大领域。

SKF 7405 BCBM轴承详细参数

角接触球轴承, 单列
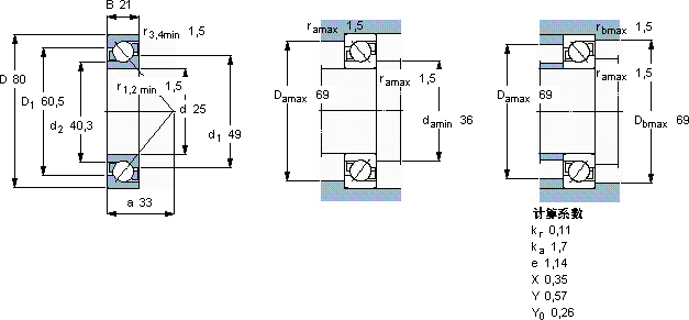
主要数据尺寸尺寸 [英寸]疲劳负荷限值额定速度体积型号
动态静态参照速度限制速度
dDBCC0Pu
mmkNkNr/minkg-
25802139,723,6111000110000,617405 BCBM

SKF 7405 BCBM轴承尺寸图纸

李工:138-8949-5179

刘工:135-0428-8802

地址:辽宁省大连经济技术开发区现代城3栋-13-13号

在线客服系统