轴承专区
Bearings Center
NUP 10/630 ECMA/HA2轴承-SKF NUP 10/630 ECMA/HA2轴承尺寸、图纸、价格
SKF NUP 10/630 ECMA/HA2轴承
| 产品名称: | NUP 10/630 ECMA/HA2轴承 | 品牌: | SKF |
|---|---|---|---|
| 类型: | SKF轴承 > 滚动轴承 > 圆柱滚子轴承 | ||
| 描述: | NUP 10/630 ECMA/HA2轴承是【SKF轴承 > 滚动轴承 > 圆柱滚子轴承】的型号,主要用在后轮、空气压缩机、纺织机械传动轴、大型农业机械、木工机械、汽车转向销、水力发电机、薄膜拉伸、掘进机、焊接机器人等各大领域 | ||
电话/微信:138-8949-5179
SKF NUP 10/630 ECMA/HA2轴承详细信息
NUP 10/630 ECMA/HA2轴承是【SKF轴承 > 滚动轴承 > 圆柱滚子轴承】的型号,主要用在后轮、空气压缩机、纺织机械传动轴、大型农业机械、木工机械、汽车转向销、水力发电机、薄膜拉伸、掘进机、焊接机器人等各大领域。
SKF NUP 10/630 ECMA/HA2轴承详细参数
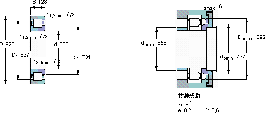
| 圆柱滚子轴承, 单列, NUP 设计 | ||||||||||||
| 主要数据尺寸 | 基本负荷额定值 | 疲劳负荷限值 | 额定速度 | 体积 | 型号 | 适宜的斜挡圈 | ||||||
| 动态 | 静态 | 参照速度 | 限制速度 | 型号 | ||||||||
| d | D | B | C | C0 | Pu | |||||||
| mm | kN | kN | r/min | kg | - | - | ||||||
| 630 | 920 | 128 | 3410 | 6200 | 430 | 630 | 850 | 285 | NUP 10/630 ECMA/HA2 | - | ||
SKF NUP 10/630 ECMA/HA2轴承尺寸图纸

