轴承专区
Bearings Center
7330 BCBM轴承-SKF 7330 BCBM轴承尺寸、图纸、价格
SKF 7330 BCBM轴承
| 产品名称: | 7330 BCBM轴承 | 品牌: | SKF |
|---|---|---|---|
| 类型: | SKF轴承 > 滚动轴承 > 角接触球轴承 | ||
| 描述: | 7330 BCBM轴承是【SKF轴承 > 滚动轴承 > 角接触球轴承】的型号,主要用在建筑机械、离心分离机、中型及大型电动机、变速器、破碎机、石油钻机转环、成形机、陶瓷机械、轻工机械、港口起重机等各大领域 | ||
电话/微信:138-8949-5179
SKF 7330 BCBM轴承详细信息
7330 BCBM轴承是【SKF轴承 > 滚动轴承 > 角接触球轴承】的型号,主要用在建筑机械、离心分离机、中型及大型电动机、变速器、破碎机、石油钻机转环、成形机、陶瓷机械、轻工机械、港口起重机等各大领域。
SKF 7330 BCBM轴承详细参数
| 角接触球轴承, 单列 | |||||||||||
| 主要数据尺寸 | 尺寸 [英寸] | 疲劳负荷限值 | 额定速度 | 体积 | 型号 | ||||||
| 动态 | 静态 | 参照速度 | 限制速度 | ||||||||
| d | D | B | C | C0 | Pu | ||||||
| mm | kN | kN | r/min | kg | - | ||||||
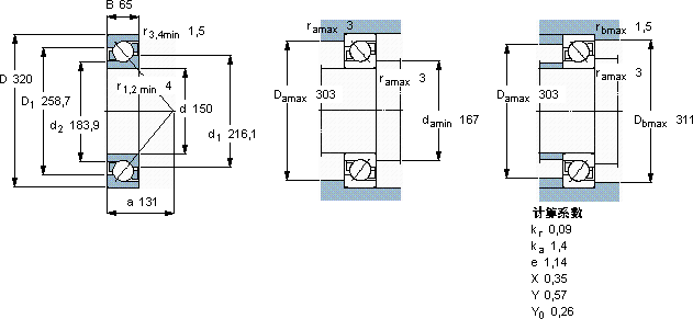
| 150 | 320 | 65 | 332 | 390 | 10,8 | 2400 | 2400 | 25,0 | 7330 BCBM | ||
SKF 7330 BCBM轴承尺寸图纸

