轴承专区
Bearings Center
BC2B 322564轴承-SKF BC2B 322564轴承尺寸、图纸、价格
SKF BC2B 322564轴承
| 产品名称: | BC2B 322564轴承 | 品牌: | SKF |
|---|---|---|---|
| 类型: | SKF轴承 > 滚动轴承 > 多辊式轧钢机支承轴承 | ||
| 描述: | BC2B 322564轴承是【SKF轴承 > 滚动轴承 > 多辊式轧钢机支承轴承】的型号,主要用在仪表、印刷机械、燃汽轮机、轧钢机辊颈、减速装置、制铁制钢机械、碾煤机、薄膜拉伸、堆取料机、钢包回转台等各大领域 | ||
电话/微信:138-8949-5179
SKF BC2B 322564轴承详细信息
BC2B 322564轴承是【SKF轴承 > 滚动轴承 > 多辊式轧钢机支承轴承】的型号,主要用在仪表、印刷机械、燃汽轮机、轧钢机辊颈、减速装置、制铁制钢机械、碾煤机、薄膜拉伸、堆取料机、钢包回转台等各大领域。
SKF BC2B 322564轴承详细参数
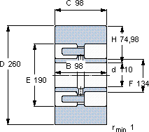
| 用于多辊轧机的背辊轴承, 用于多辊轧机的背辊轴承 | |||||||||||
| 主要数据尺寸 | 基本负荷额定值 | 最大径向负荷 | 体积 | 型号 | |||||||
| 滚子 | |||||||||||
| 动态 | 静态 | 动态 | 静态 | ||||||||
| D | d | B | C | H | C | C0 | Fr | F0r | |||
| mm | kN | kN | kg | - | |||||||
| 260 | 110 | 98 | 98 | 74,98 | 968 | 1430 | 415 | 585 | 31,0 | BC2B 322564 | |
SKF BC2B 322564轴承尺寸图纸

