轴承专区
Bearings Center
HMVC 106E轴承-SKF HMVC 106E轴承尺寸、图纸、价格
SKF HMVC 106E轴承
| 产品名称: | HMVC 106E轴承 | 品牌: | SKF |
|---|---|---|---|
| 类型: | SKF轴承 > 滚动轴承 > 轴承附件 | ||
| 描述: | HMVC 106E轴承是【SKF轴承 > 滚动轴承 > 轴承附件】的型号,主要用在各种产业机械、离心分离机、泵、变速器、破碎机、制铁制钢机械、发电厂、塑料、起重机械、塔式车库等各大领域 | ||
电话/微信:138-8949-5179
SKF HMVC 106E轴承详细信息
HMVC 106E轴承是【SKF轴承 > 滚动轴承 > 轴承附件】的型号,主要用在各种产业机械、离心分离机、泵、变速器、破碎机、制铁制钢机械、发电厂、塑料、起重机械、塔式车库等各大领域。
SKF HMVC 106E轴承详细参数
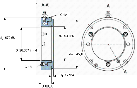
| Hydraulic nuts, inch sizes | ||||||||||||
| 螺纹尺寸 | 尺寸 | Permitted | Piston area | 体积 | 型号 | |||||||
| piston | ||||||||||||
| G | d1 | d2 | d3 | B | B1 | displacement | ||||||
| mm | mm (metric sizes) | mm | mm | mm2 (metric sizes) | kg | - | ||||||
| in - threads/in (inch sizes) | in2 (inch sizes) | |||||||||||
| 526,339 | 20.867 in - 4 | 530,86 | 645,16 | 670,56 | 68,58 | 12,954 | 21,082 | 87,1 | 174 | HMVC 106E | - | |
SKF HMVC 106E轴承尺寸图纸

