轴承专区
Bearings Center
7320 BECCM *轴承-SKF 7320 BECCM *轴承尺寸、图纸、价格
SKF 7320 BECCM *轴承
| 产品名称: | 7320 BECCM *轴承 | 品牌: | SKF |
|---|---|---|---|
| 类型: | SKF轴承 > 滚动轴承 > 角接触球轴承 | ||
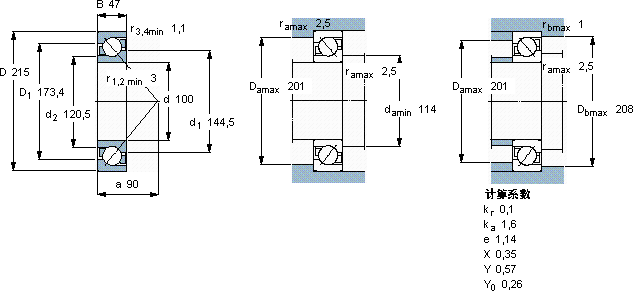
| 描述: | 7320 BECCM *轴承是【SKF轴承 > 滚动轴承 > 角接触球轴承】的型号,主要用在装卸搬运机械、各类变速器、木工机械、铁路车辆、减速装置、机床主轴、矿山、饮料设备、混凝土机械、摩天轮等各大领域 | ||
电话/微信:138-8949-5179
SKF 7320 BECCM *轴承详细信息
7320 BECCM *轴承是【SKF轴承 > 滚动轴承 > 角接触球轴承】的型号,主要用在装卸搬运机械、各类变速器、木工机械、铁路车辆、减速装置、机床主轴、矿山、饮料设备、混凝土机械、摩天轮等各大领域。
SKF 7320 BECCM *轴承详细参数
| 角接触球轴承, 单列 | |||||||||||
| 主要数据尺寸 | 尺寸 [英寸] | 疲劳负荷限值 | 额定速度 | 体积 | 型号 | ||||||
| 动态 | 静态 | 参照速度 | 限制速度 | ||||||||
| d | D | B | C | C0 | Pu | * - SKF Explorer 轴承 | |||||
| mm | kN | kN | r/min | kg | - | ||||||
| 100 | 215 | 47 | 216 | 208 | 6,95 | 4000 | 4000 | 8,00 | 7320 BECCM * | ||
SKF 7320 BECCM *轴承尺寸图纸

