轴承专区
Bearings Center
1209 EKTN9轴承-SKF 1209 EKTN9轴承尺寸、图纸、价格
SKF 1209 EKTN9轴承
| 产品名称: | 1209 EKTN9轴承 | 品牌: | SKF |
|---|---|---|---|
| 类型: | SKF轴承 > 滚动轴承 > 自调心球轴承 | ||
| 描述: | 1209 EKTN9轴承是【SKF轴承 > 滚动轴承 > 自调心球轴承】的型号,主要用在飞机喷气式发动机、燃汽轮机、汽车发动机、后轮、振动筛、石油钻机、燃机、纺织、解体机、钢包回转台等各大领域 | ||
电话/微信:138-8949-5179
SKF 1209 EKTN9轴承详细信息
1209 EKTN9轴承是【SKF轴承 > 滚动轴承 > 自调心球轴承】的型号,主要用在飞机喷气式发动机、燃汽轮机、汽车发动机、后轮、振动筛、石油钻机、燃机、纺织、解体机、钢包回转台等各大领域。
SKF 1209 EKTN9轴承详细参数
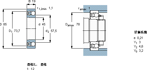
| 自调心球轴承, 圆柱孔和圆锥孔, 圆锥型内孔, 无密封件 | ||||||||||
| 主要数据尺寸 | 基本负荷额定值 | 疲劳负荷限值 | 额定速度 | 体积 | 型号 | |||||
| 动态 | 静态 | 参照速度 | 限制速度 | |||||||
| d | D | B | C | C0 | Pu | |||||
| mm | kN | kN | r/min | kg | - | |||||
| 45 | 85 | 19 | 22,9 | 7,8 | 0,4 | 17000 | 11000 | 0,47 | 1209 EKTN9 | |
SKF 1209 EKTN9轴承尺寸图纸

