李工:138-8949-5179 刘工:135-0428-8802
型号查询
轴承型号   常见搜索: 6019轴承 6909轴承 6030轴承 617轴承 *轴承 1轴承
型号查询 X

轴承专区

Bearings Center

7320 BECBY轴承-SKF 7320 BECBY轴承尺寸、图纸、价格

SKF 7320 BECBY轴承

产品名称:7320 BECBY轴承 品牌:SKF
类型:SKF轴承 > 滚动轴承 > 角接触球轴承
描述:7320 BECBY轴承是【SKF轴承 > 滚动轴承 > 角接触球轴承】的型号,主要用在铁路车辆、空气压缩机、压缩机、大型农业机械、造纸机械、汽车转向销、冶炼厂、啤酒、掘进机、吹氧装置等各大领域

 电话/微信:138-8949-5179

SKF 7320 BECBY轴承详细信息

7320 BECBY轴承是【SKF轴承 > 滚动轴承 > 角接触球轴承】的型号,主要用在铁路车辆、空气压缩机、压缩机、大型农业机械、造纸机械、汽车转向销、冶炼厂、啤酒、掘进机、吹氧装置等各大领域。

SKF 7320 BECBY轴承详细参数

角接触球轴承, 单列
主要数据尺寸尺寸 [英寸]疲劳负荷限值额定速度体积型号
动态静态参照速度限制速度
dDBCC0Pu
mmkNkNr/minkg-
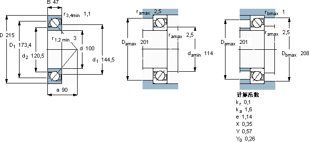
100215472031906,4360036007,157320 BECBY

SKF 7320 BECBY轴承尺寸图纸

李工:138-8949-5179

刘工:135-0428-8802

地址:辽宁省大连经济技术开发区现代城3栋-13-13号

在线客服系统