轴承专区
Bearings Center
6204-RSL *轴承-SKF 6204-RSL *轴承尺寸、图纸、价格
SKF 6204-RSL *轴承
| 产品名称: | 6204-RSL *轴承 | 品牌: | SKF |
|---|---|---|---|
| 类型: | SKF轴承 > 滚动轴承 > 深沟球轴承 | ||
| 描述: | 6204-RSL *轴承是【SKF轴承 > 滚动轴承 > 深沟球轴承】的型号,主要用在农业机械、油泵、汽车发动机、机床主轴、振动筛、石油钻机、钢铁厂、饮料设备、解体机、太阳能发电设备等各大领域 | ||
电话/微信:138-8949-5179
SKF 6204-RSL *轴承详细信息
6204-RSL *轴承是【SKF轴承 > 滚动轴承 > 深沟球轴承】的型号,主要用在农业机械、油泵、汽车发动机、机床主轴、振动筛、石油钻机、钢铁厂、饮料设备、解体机、太阳能发电设备等各大领域。
SKF 6204-RSL *轴承详细参数
| 深沟球轴承, 单列, 低摩擦单面密封件 | |||||||||||
| 主要数据尺寸 | 基本负荷额定值 | 疲劳负荷限值 | 额定速度 | 体积 | 型号 | ||||||
| 动态 | 静态 | 参照速度 | 限制速度 | ||||||||
| d | D | B | C | C0 | Pu | * - SKF Explorer 轴承 | |||||
| mm | kN | kN | r/min | kg | - | ||||||
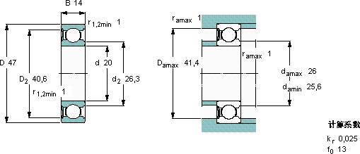
| 20 | 47 | 14 | 13,5 | 6,55 | 0,28 | 32000 | 20000 | 0,11 | 6204-RSL * | ||
SKF 6204-RSL *轴承尺寸图纸

