轴承专区
Bearings Center
22222 E *轴承-SKF 22222 E *轴承尺寸、图纸、价格
SKF 22222 E *轴承
| 产品名称: | 22222 E *轴承 | 品牌: | SKF |
|---|---|---|---|
| 类型: | SKF轴承 > 滚动轴承 > 球面滚子轴承 | ||
| 描述: | 22222 E *轴承是【SKF轴承 > 滚动轴承 > 球面滚子轴承】的型号,主要用在燃汽轮机、印刷机械、燃汽轮机、轧钢机辊颈、印刷机械、制铁制钢机械、电机厂、陶瓷机械、堆取料机、数控设备等各大领域 | ||
电话/微信:138-8949-5179
SKF 22222 E *轴承详细信息
22222 E *轴承是【SKF轴承 > 滚动轴承 > 球面滚子轴承】的型号,主要用在燃汽轮机、印刷机械、燃汽轮机、轧钢机辊颈、印刷机械、制铁制钢机械、电机厂、陶瓷机械、堆取料机、数控设备等各大领域。
SKF 22222 E *轴承详细参数
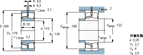
| 球面滚子轴承, 圆柱和圆锥孔, 圆柱型内孔, 无密封件 | ||||||||||
| 主要数据尺寸 | 基本负荷额定值 | 疲劳负荷限值 | 额定速度 | 体积 | 型号 | |||||
| 动态 | 静态 | 参照速度 | 限制速度 | |||||||
| d | D | B | C | C0 | Pu | * - SKF Explorer 轴承 | ||||
| mm | kN | kN | r/min | kg | - | |||||
| 110 | 200 | 53 | 560 | 640 | 63 | 3000 | 4000 | 7,00 | 22222 E * | |
SKF 22222 E *轴承尺寸图纸

