李工:138-8949-5179 刘工:135-0428-8802
型号查询
轴承型号   常见搜索: 32313轴承 6004轴承 6022轴承 6020轴承 6015轴承 6309轴承
型号查询 X

轴承专区

Bearings Center

7209 BEGAY轴承-SKF 7209 BEGAY轴承尺寸、图纸、价格

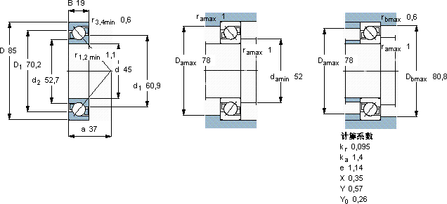
SKF 7209 BEGAY轴承

产品名称:7209 BEGAY轴承 品牌:SKF
类型:SKF轴承 > 滚动轴承 > 角接触球轴承
描述:7209 BEGAY轴承是【SKF轴承 > 滚动轴承 > 角接触球轴承】的型号,主要用在变速器、高频马达、木工机械、前轮、减速装置、机床等的变速装置、立式电动机、纺织、压路机、正面吊等各大领域

 电话/微信:138-8949-5179

SKF 7209 BEGAY轴承详细信息

7209 BEGAY轴承是【SKF轴承 > 滚动轴承 > 角接触球轴承】的型号,主要用在变速器、高频马达、木工机械、前轮、减速装置、机床等的变速装置、立式电动机、纺织、压路机、正面吊等各大领域。

SKF 7209 BEGAY轴承详细参数

角接触球轴承, 单列
主要数据尺寸尺寸 [英寸]疲劳负荷限值额定速度体积型号
动态静态参照速度限制速度
dDBCC0Pu
mmkNkNr/minkg-
45851937,7281,2900090000,437209 BEGAY

SKF 7209 BEGAY轴承尺寸图纸

李工:138-8949-5179

刘工:135-0428-8802

地址:辽宁省大连经济技术开发区现代城3栋-13-13号

在线客服系统