李工:138-8949-5179 刘工:135-0428-8802
型号查询
轴承型号   常见搜索: 6001轴承 6007轴承 6011轴承 6026轴承 617轴承 6030轴承
型号查询 X

轴承专区

Bearings Center

2 x 7064 BGM轴承-SKF 2 x 7064 BGM轴承尺寸、图纸、价格

SKF 2 x 7064 BGM轴承

产品名称:2 x 7064 BGM轴承 品牌:SKF
类型:SKF轴承 > 滚动轴承 > 角接触球轴承
描述:2 x 7064 BGM轴承是【SKF轴承 > 滚动轴承 > 角接触球轴承】的型号,主要用在变速器、高频马达、燃汽轮机、前轮、轧钢机齿轮箱座、机床等的变速装置、立式电动机、音像设备、工程船舶、正面吊等各大领域

 电话/微信:138-8949-5179

SKF 2 x 7064 BGM轴承详细信息

2 x 7064 BGM轴承是【SKF轴承 > 滚动轴承 > 角接触球轴承】的型号,主要用在变速器、高频马达、燃汽轮机、前轮、轧钢机齿轮箱座、机床等的变速装置、立式电动机、音像设备、工程船舶、正面吊等各大领域。

SKF 2 x 7064 BGM轴承详细参数

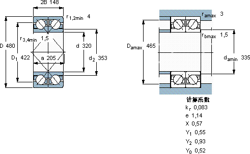
角接触球轴承, 单列,用于配对安装, 面对面配对
主要数据尺寸基本负荷额定值疲劳负荷限值额定速度体积型号轴承配对
动态静态参照速度限制速度
dD2BCC0Pu
mmkNkNr/minkg--
3204801486241320281000140089,02 × 7064 BGMDF

SKF 2 x 7064 BGM轴承尺寸图纸

李工:138-8949-5179

刘工:135-0428-8802

地址:辽宁省大连经济技术开发区现代城3栋-13-13号

在线客服系统