轴承专区
Bearings Center
7218 BECBY轴承-SKF 7218 BECBY轴承尺寸、图纸、价格
SKF 7218 BECBY轴承
| 产品名称: | 7218 BECBY轴承 | 品牌: | SKF |
|---|---|---|---|
| 类型: | SKF轴承 > 滚动轴承 > 角接触球轴承 | ||
| 描述: | 7218 BECBY轴承是【SKF轴承 > 滚动轴承 > 角接触球轴承】的型号,主要用在建筑机械、高频马达、泵、前轮、印刷机械、机床等的变速装置、成形机、薄膜拉伸、工程船舶、泥炮等各大领域 | ||
电话/微信:138-8949-5179
SKF 7218 BECBY轴承详细信息
7218 BECBY轴承是【SKF轴承 > 滚动轴承 > 角接触球轴承】的型号,主要用在建筑机械、高频马达、泵、前轮、印刷机械、机床等的变速装置、成形机、薄膜拉伸、工程船舶、泥炮等各大领域。
SKF 7218 BECBY轴承详细参数
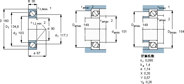
| 角接触球轴承, 单列 | |||||||||||
| 主要数据尺寸 | 尺寸 [英寸] | 疲劳负荷限值 | 额定速度 | 体积 | 型号 | ||||||
| 动态 | 静态 | 参照速度 | 限制速度 | ||||||||
| d | D | B | C | C0 | Pu | ||||||
| mm | kN | kN | r/min | kg | - | ||||||
| 90 | 160 | 30 | 108 | 96,5 | 3,65 | 4500 | 4500 | 2,34 | 7218 BECBY | ||
SKF 7218 BECBY轴承尺寸图纸

